CBW Hydraulic Gear Pump
|
型号 Model |
公称排量 Nominal displacement (mL/r) |
压力 Pressure (MPa) |
转速Speed
(r/min) |
容积效率 Volumetric efficiency (≥%) |
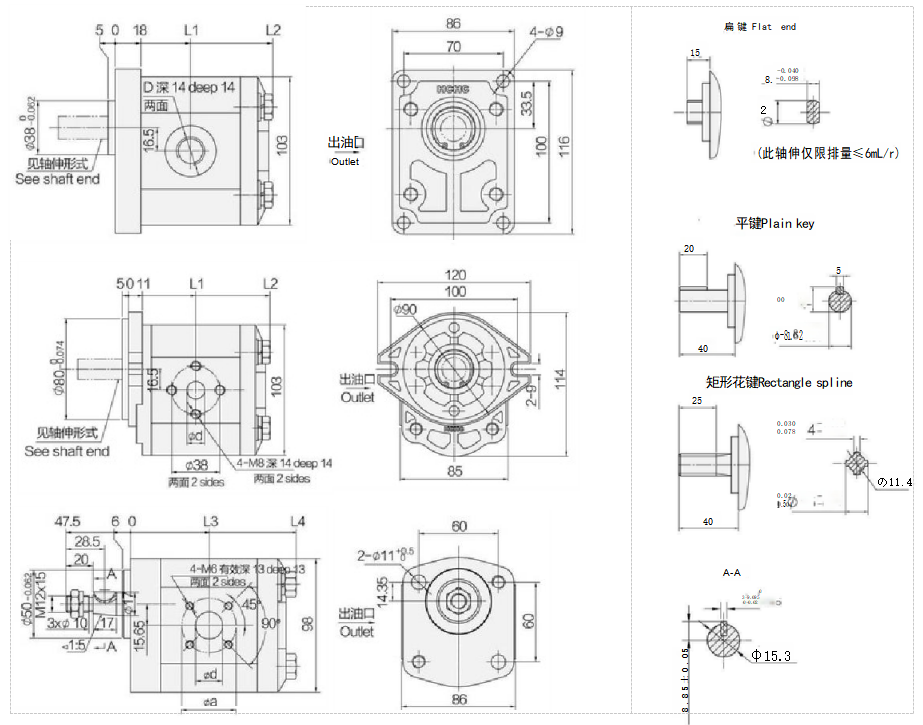
L1 |
L2 |
L3 |
4 |
法兰联接Flange | 螺纹联接Screw | 重量
Weight (kg) |
|||||||
| 进油口Inlet | 出油口Oulet | |||||||||||||||||
| 额定 Rated | 最高 Max | 最低 Min | 额定 Rated | 最高 Max | a | d | a | d | 进油口 Inlet | 出油口 Outlet | ||||||||
| CBW-F304-**** | 4 |
20 |
25 |
800 |
2500 |
3000 |
90 | 43.3 | 93 | 47.75 | 101 |
40 |
14 |
35 |
10 |
M20x1.5 锪平φ36 spot-face |
M18x1.5 锪平φ30 spot-face |
2.3 |
| CBW-F306-**** | 6 | 45 | 96.5 | 49 | 103.5 | 2.4 | ||||||||||||
| CBW-F308-**** | 8 | 91 | 46.75 | 100 | 50.75 | 107 | 2.5 | |||||||||||
| CBW-F310-**** | 10 | 48 | 102.5 | 52.5 | 110.5 | 18 | 14 | 2.6 | ||||||||||
| CBW-F314-**** | 14 | 51 | 108.5 | 56 | 117.5 | 2.8 | ||||||||||||
| CBW-F316-**** | 16 | 92 | 53 | 112.5 | 57.5 | 120.5 | 20 | 16 | 2.9 | |||||||||
| CBW-F320-**** | 20 | 56.5 | 119.5 | 61 | 127.5 | 3.1 | ||||||||||||

High strength aluminum alloy material is applied, with light weight and easy installation
Axial clearance automatic compensation mechanism, radial hydraulic balance, maintaining high volumetric efficiency of the oil pump
CBW Hydraulic Gear Pump adopts self-lubricating bearings to improve the pump's load-bearing capacity
The connection forms of the inlet and outlet ports include threads, flanges, etc. for selection
The input shaft connection form can be selected from flat keys, rectangular splines, flat keys, semicircle keys, involute splines, SAE splines can be customized
.
Poocca Hydraulics (Shenzhen) Co., Ltd. was established in 1997. It is a comprehensive hydraulic service enterprise integrating R&D, manufacturing, maintenance and sales of hydraulic pumps, motors, valves and accessories. Extensive experience in providing power transmission and drive solutions to hydraulic system users worldwide.
After decades of continuous development and innovation in the hydraulic industry, Poocca Hydraulics is favored by manufacturers in many regions at home and abroad, and has also established a solid corporate partnership.
As a hydraulics manufacturer, we can provide you with custom solutions to meet your unique needs. To ensure your brand is represented accurately and effectively communicate the value of your hydraulic products to your target audience.
In addition to providing regular products, poocca also accepts special model product customization, which can be customized for your required size, packaging type, nameplate and logo on the pump body
POOCCA has many certificates and honors:
Certificates: patent certificates for plunger pumps, gear pumps, motors, and reducers. CE,FCC,ROHS.
Honors: counterpart support caring enterprises, honest enterprises, recommended procurement units for China-Africa economic and trade cooperation.
Q: Are you trading company or manufacturer?
A: We are manufacturer.
Q: How long is the Warranty?
A: One-year warranty.
Q: What is your payment terms?
A: 100% in advance, long-term dealer 30% in advance, 70% before shipping.
Q: How about the delivery time?
A: Conventional products take 5-8 days, and unconventional products depend on the model and quantity
As a competent manufacturer of diversified Hydraulic Pumps, we are thriving across the globe and we are happy to share the overwhelming positive feedback we have received from satisfied customers across the globe. Our products have won accolades for their superior quality and performance. Consistent positive reviews reflect the trust and satisfaction customers experience after making a purchase.
Join our customers and experience the excellence that sets us apart. Your trust is our motivation and we look forward to exceeding your expectations with our POOCCA hydraulic pump solutions.












