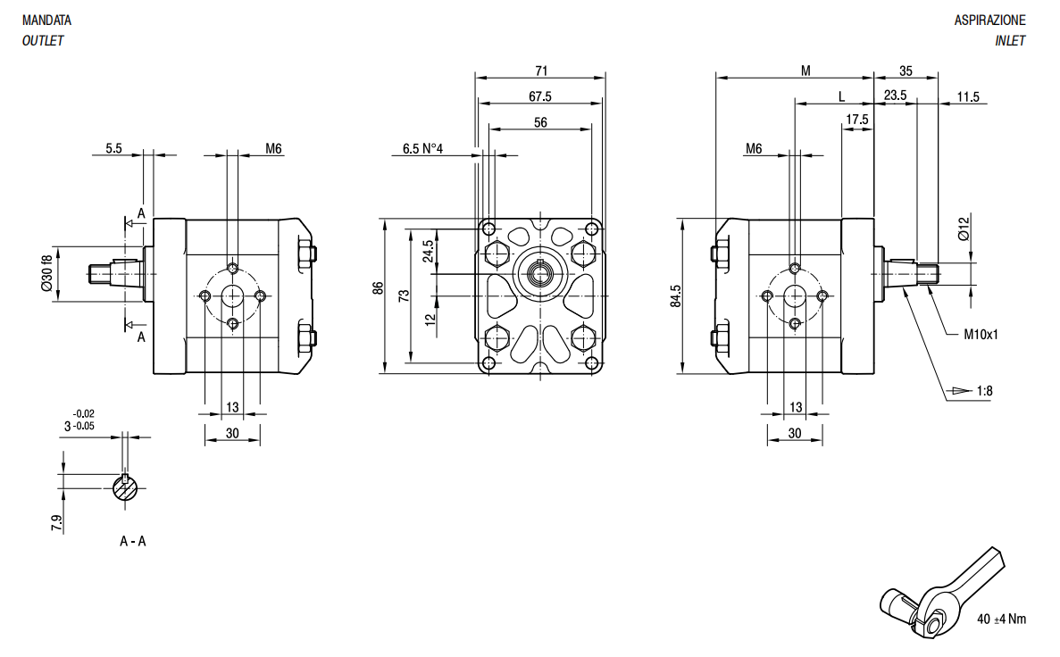
Marzocchi ALP1 Group 1 Gear Pump
|
TYPE |
Displacement |
FLOW at |
MAX PRESSURE |
MAX SPEED |
||
|
P1 |
P2 |
P3 |
||||
|
|
cm³/rev |
litri/min |
bar |
bar |
bar |
rpm |
|
ALP1-D(S)-2 |
1.4 |
2 |
250 |
270 |
290 |
6000 |
|
ALP1-D(S)-3 |
2.1 |
2.9 |
250 |
270 |
290 |
6000 |
|
ALP1-D(S)-4 |
2.8 |
3.9 |
250 |
270 |
290 |
5000 |
|
ALP1-D(S)-5 |
3.5 |
4.9 |
250 |
270 |
290 |
5000 |
|
ALP1-D(S)-6 |
4.1 |
5.9 |
250 |
270 |
290 |
4000 |
|
ALP1-D(S)-7 |
5.2 |
7.4 |
230 |
245 |
260 |
4000 |
|
ALP1-D(S)-9 |
6.2 |
8.8 |
230 |
245 |
260 |
3800 |
|
ALP1-D(S)-11 |
7.6 |
10.8 |
200 |
215 |
230 |
3200 |
|
ALP1-D(S)-13 |
9.3 |
13.3 |
180 |
195 |
210 |
2600 |
|
ALP1-D(S)-16 |
11 |
15.7 |
170 |
185 |
200 |
2200 |
|
ALP1-D(S)-20 |
13.8 |
19.7 |
150 |
165 |
180 |
1800 |
Marzocchi ALP3 Gear Pump

| ALP1 TYPE | ALP2 TYPE | ALP3 TYPE |
| ALP1-D(S)-2 | ALP2-D(S)-6 | ALP3-D(S)-33 |
| ALP1-D(S)-3 | ALP2-D(S)-9 | ALP3-D(S)-40 |
| ALP1-D(S)-4 | ALP2-D(S)-10 | ALP3-D(S)-50 |
| ALP1-D(S)-5 | ALP2-D(S)-12 | ALP3-D(S)-60 |
| ALP1-D(S)-6 | ALP2-D(S)-13 | ALP3-D(S)-66 |
| ALP1-D(S)-7 | ALP2-D(S)-16 | ALP3-D(S)-80 |
| ALP1-D(S)-9 | ALP2-D(S)-20 | ALP3-D(S)-94 |
| ALP1-D(S)-11 | ALP2-D(S)-22 | ALP3-D(S)-110 |
| ALP1-D(S)-13 | ALP2-D(S)-25 | ALP3-D(S)-120 |
| ALP1-D(S)-16 | ALP2-D(S)-30 | ALP3-D(S)-135 |
| ALP1-D(S)-20 | ALP2-D(S)-34 | |
| ALP2-D(S)-37 | ||
| ALP2-D(S)-40 | ||
| ALP2-D(S)-50 |
1: Selected raw materials
Strictly select raw materials, the front cover, pump body, back cover, and internal parts and components are all screened, tested, and strictly required for assembly testing and quality control
2: stable performance
Each structure is actuarial design, the internal structure is tightly connected, and the operation is stable, making it more durable, wear-resistant, impact-resistant, and lower noise
3: Strong corrosion resistance
In the production process, a variety of processes are used, which has good corrosion resistance, bright color and good metal texture.
As a hydraulics manufacturer, we can provide you with custom solutions to meet your unique needs. To ensure your brand is represented accurately and effectively communicate the value of your hydraulic products to your target audience.
In addition to providing regular products, poocca also accepts special model product customization, which can be customized for your required size, packaging type, nameplate and logo on the pump body
Pre-Sales Service: Prompt, professional response to inquiries, detailed product information and assistance in selecting the most appropriate hydraulic solution for a specific application. You'll be given guidance on product compatibility, performance optimization, and cost-effectiveness to ensure you make informed buying decisions.
After sales support:They provide timely and efficient assistance in case of product issues, troubleshooting or warranty claims. Our poocca customer service team will be approachable and responsive, addressing concerns and resolving issues promptly.
Delivery time: poocca has an efficient logistics and supply chain management system to ensure timely dispatch and delivery of products. We will provide accurate lead time estimates, proactively communicate any potential delays, and take necessary steps to minimize disruption. Additionally, we can offer expedited shipping options for rush orders, enabling you to receive your product within the requested time period.
As a competent manufacturer of diversified Hydraulic Pumps, we are thriving across the globe and we are happy to share the overwhelming positive feedback we have received from satisfied customers across the globe. Our products have won accolades for their superior quality and performance. Consistent positive reviews reflect the trust and satisfaction customers experience after making a purchase.
Join our customers and experience the excellence that sets us apart. Your trust is our motivation and we look forward to exceeding your expectations with our POOCCA hydraulic pump solutions.










